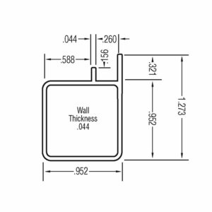
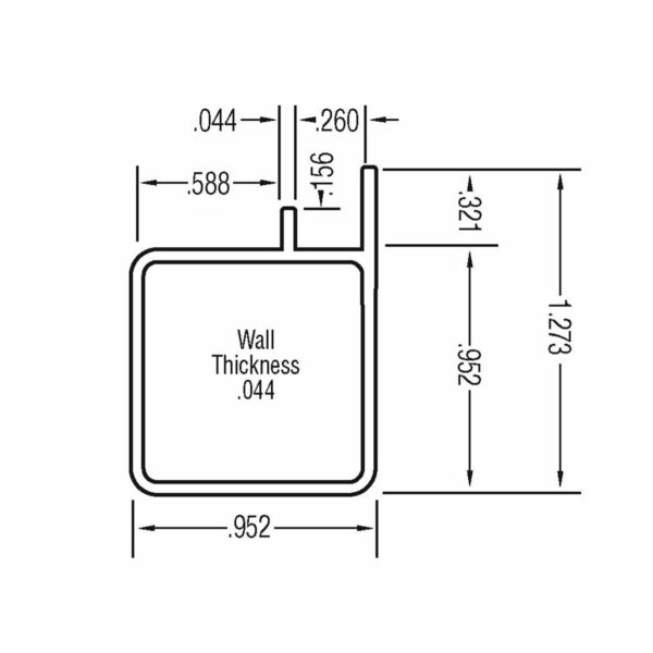
15/16″ Thin Wall Single Channel Tubing

16309315/16″ Thin Wall Single Channel Tubing

15/16″ square anodized aluminum tubing with double flange .260 slot width.

  • 1 Inch
  • Thin Wall Tight Fit
  • Black/Light Grey

$3.38

    Ready to get started?

    Browse our catalog of products!

    Shop Now